萬華化學集團股份有限公司(簡稱“萬華化學”),前身為煙臺萬華聚氨酯股份有限公司,成立于1998年12月20日,是亞太地區最大的MDI供應商。主要從事MDI為主的異氰酸酯系列產品、芳香多胺系列產品、熱塑性聚氨酯彈性體系列產品的研發、生產和銷售,是中國唯一一家擁有MDI制造技術自主知識產權的企業。
萬華煙臺工業園位于煙臺經濟技術開發區,總占地面積10.6平方公里,規劃投資700億元。主要包括異氰酸酯(MDI)、環氧丙烷及丙烯酸酯一體化項目兩大核心項目,是山東省自建國以來,除核電以外最大的工業項目,以及海水和廢棄物綜合利用,港口、鐵路等配套項目。按照園區大型化、集約化、一體化的建設模式,將園區建設成為集聚氨酯、丙烯/環氧丙烷、表面新材料三大產業為一體,打造以自主創新產品為主、產業鏈高度集成、最具全球競爭優勢的綠色化工園區。
煙臺工業園設備管理部本著精益管理、卓越績效的理念及要求,在設備管理工作中不斷提高設備維護技術的先進性、優化設備維護成本。主要工作成果如下:
1、設備維護技術的先進性
以機械完整性管理的核心(檢查、測試、預防性維護)為設備維護技術的工作重點,針對園區設備的特點建立相應的管理系統,如機泵設備故障診斷系統、管道容器設備腐蝕管理系統等。
1)機泵設備故障診斷系統。對園區的機泵設備依據工藝流程中的重要性、失效的影響(安全、環境)、設備的價值、糾正成本等因素進行分級評估為AA、A、B、C四個等級,并針對不同等級的設備建立相應的管理策略分層級管理。構建管理組織架構實施三級專項管理,(如下圖)。

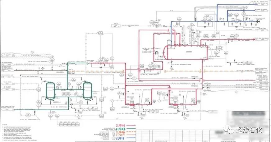
硬件系統方面,針對不同等級的機泵分別引進世界技術領先的在線診斷系統及離線診斷系統:AA級設備建立在線故障診斷系統,采用GE集團的system1系統實施監控,對現場振動測點的模擬量信號進行數學模型計算并集成設備工藝參數及控制參數,在系統中記錄、繪制振動頻譜及各參數趨勢圖,包括啟停機瀑布圖、Bode圖、軸心軌跡、軸心位置、頻譜圖等振動分析圖譜,.




為工程師現場診斷、預判設備故障提供重要的數據基礎。系統網絡搭建及管理中,利用園區生產數據光纜網絡搭建在線診斷系統的專用網絡,并于主服務器開放接口并入到辦公網絡及internet網路(如下圖),實現工程師遠程在線監控診斷、增強故障案例分享效果。

在園區壓縮機啟機過程中,工程師借助于在線診斷系統的監控數據,準確的判斷了軸瓦磨損的故障、轉子平衡破環的故障以及驅動機振動聯鎖值不合理等問題,為現場問題判斷及處理起到了非常重要的指導作用,提高工作效率,為生產裝置避免非計劃停車提供重要的指導依據。針對A級設備采用離線診斷系統,利用園區辦公網絡搭建離線診斷系統,利用公司信息管理服務器建立數據庫及系統操作平臺,實現遠程維護、遠程診斷及數據共享,并將園區分散的系統維護點利用網絡軟件進行合并整合,實現系統的標準化及統一管理的目標(如下圖)。

對振動數據的采集,實行定期、定點、定人、定標準的周期采集振動數據及脈沖數據,并在系統中設定報警限制,

針對出現振動報警的設備,進行詳細的頻譜分析及脈沖分析,結合ISO振動標準的指導判定設備運行狀態,對設備實施密切監控、指導生產裝置合理安排生產、商定停機時間、制定檢修計劃及備件計劃,并向檢修人員提供檢修指導意見,避免設備突發失效導致裝置非計劃停車的損失及設備的欠維修與過維修,降低生產成本及維修成本,實現設備維護檢修的精益管理。
2)油品分析管理系統。潤滑油品狀態的評估也是設備故障診斷工作的重要部分。據統計機械設備的隱患80%由潤滑的問題造成,因此園區針對潤滑油分析組建了油品分析中心,并借助實驗室信息管理的Limis系統(如下圖),

對油品分析結果進行管理。園區的油品分析管理不僅對在用油品進行分析管理,對于批次采購的新油品亦進行油品的全指標分析,判定其質量并作為該批次油品原始數據。對于在用油品的監測,建立油品分析管理制度及操作方法,與第三方檢驗單位進行深度合作,科學合理的制定設備油品取樣定,并依據設備的等級制定取樣周期及各周期內的分析項目。對于AA級設備進行每月取樣分析(水分、粘度、破乳化、濁度)關鍵指標,每季度進行全指標分析詳細評估油品狀態。對于A級設備實施每月關鍵指標的取樣分析。
3)設備狀態評估報告。結合機泵設備在線診斷系統、離線診斷系統與油品分析管理系統,對機泵的運行狀態進行月度評估并形成評估報告(如下圖)。評估報告依據ISO設備振動標準及潤滑油檢驗指標判定設備狀態,并提供設備運行維護意見。

手持終端巡檢系統。通過建立手持終端巡檢系統規范管理設備日常巡檢、避免漏檢,并實現無紙化辦公。巡檢人員在系統巡檢計劃的指導下完成巡檢作業,確保生產現場工作狀態和巡檢參數如實反饋,把管理要求真正落實到日常工作中。
設備巡檢管理工作流程

巡檢計劃管理

巡檢結果管理

設備巡檢問題管理

實現對生產現場巡檢人員到位的科學管理,從根本上杜絕巡檢人員不到位、作業報表杜撰、任意修改等漏洞,保證現場環境安全。
使生產現場巡檢反饋信息更真實可靠、更具時效性。管理人員利用系統的相關功能并結合實績的時間參數,能更好地對實績進行客觀的統計、分析,歷史數據可追溯,為管理人員做出迅速、準確的判斷、決策提供科學依據。
使現場管理及信息處理納入計算機管理軌道,巡點檢管理系統在生產現場就把各種巡檢結果信息直接轉換成電子信息,無需在紙上進行人工記錄,令管理工作輕松、高效、低成本。
為設備的巡檢管理水平上升到科學的量化管理創造條件。對巡檢人員的現場工作質量進行定量分析、考評;對設備的狀態進行數據定量分析并用多種圖表描述變化趨勢。
5)腐蝕回路管理。腐蝕管理是萬華設備管理中的重要一環,設備管理部在應用RBI的基礎上,提出腐蝕回路管理方案。結合裝置特點,將腐蝕回路的概念系統化,形成腐蝕回路檔案,應用到腐蝕機理分析、工藝物料參數控制、預防性維護、腐蝕數據積累、材質選型分析、腐蝕管理信息化構架等方面。通過腐蝕回路這條大動脈,達到腐蝕管理的全周期、全專業(工藝、設備、分析)和可持續性目標,徹底解決原有管理方式的弊端。
腐蝕回路從收集設計數據、工藝與操作參數、維修和檢驗記錄等資料開始,根據PID,繪制腐蝕回路。以腐蝕回路為最小分析單位,確定設備材料腐蝕機理和劣化模式,形成腐蝕回路檔案,并制定后續詳細管理方案。
⑴成立組織機構:腐蝕回路涉及設備、工藝、操作、分析、檢驗等專業,根據各專業特點,明確成員職責,制定實施計劃。
⑵收集資料:包括工藝流程數據、歷史檢維修記錄、工藝介質分析記錄、設備設計資料等。
⑶在PID上劃分腐蝕回路。劃分原則是將失效機理相同(一般是材料、溫度、介質相同)且彼此相連的設備、管線劃定為一個腐蝕回路,工藝工程師確認流體Ph、污染物、溫度和壓力,設備工程師、防腐蝕工程師與設備專家共同審查腐蝕機制。(參考下圖)

根據腐蝕回路分析結果形成腐蝕回路檔案。(參考下圖)

腐蝕回路管理方案開展應用后,改變了原有的管理模式,通過腐蝕回路檔案的后期管理,達到了以下的效果:
(1)腐蝕的全專業管理:根據腐蝕回路檔案的要求,工藝、設備、分析等專業有了各自的關注點,改變了“腐蝕是設備專業的活”錯誤觀點,各專業對腐蝕管理的觀念發生了很大變化。
(2)生產操作人員在工藝操作時能夠關注對腐蝕的影響,同時會保持與設備人員溝通,工藝與設備在腐蝕管理上有了共同的平臺。
(3)腐蝕管理模式的轉變:由事后管理轉變為預防性管理,通過前期分析腐蝕機理、各專業配合,制定腐蝕監測方案,提前發現失效設備,避免非計劃停車,產生了可觀的經濟效益。
(4)腐蝕數據的積累:腐蝕監測數據依附于腐蝕回路,可以不斷地積累,為裝置的技改技措等工作提供有力的數據支持。
(5)RBI價值的再發揮:腐蝕回路管理方案的應用將RBI的理念融入了具體的生產管理中,是RBI的細化和再創新,解決了RBI與實際生產管理的接口問題,通過結合化工企業的現狀,達到了腐蝕系統化管理的目標。
2、設備管理成本優化
1)潤滑油品優化整合。潤滑油作為設備安全運行重要的一部分,其種類繁多、特性不一、成本較高,至此對潤滑油的管理需要科學的方法。工業園對園區內機械設備的潤滑油種類進行統計匯總,與國內第三方潤滑油研究的專業公司進行合作,對各牌號潤滑油的理化指標進行比較,并結合設備的實際使用工況要求及設備制造廠的建議,將園區原有的50種不同品牌及牌號的潤滑油優化整合為現有的2種品牌20種牌號。并通過建立大宗油品采購的合作協議,大幅降低了油品的庫存量及采購成本,同時大大降低了園區潤滑油管理的難度。

2)備品備件的優化管理-備件策略管理與“零庫存”管理。備品備件的成
本是設備維護成本的主要因素,企業中備品備件的備用策略通常是結合檢修人員的經驗及生產情況而確定的,其中人的經驗為主要決策依據,因此往往導致庫存備件成本高,且備件呆滯庫存量大,庫存成本占用大量資金,從而降低企業資金利用效率。
⑴備件策略確定。傳統的備件策略的確定缺少科學的理論依據、隨意性大,工業園為了避免不合理的備件備用策略,降低庫存成本,同時最大限度的保證生產裝置的穩定運行,結合多年的備件采購及設備維護經驗,利用辦公軟件的函數工具及數學模型,綜合考慮物資采購周期、設備及備件價值、故障影響程度、故障周期指標及裝置生產經濟指標等因子,建立備件備用策略的判斷工具,指導工程師決策備件是否備庫。從而實現利用科學的算法管理備件備庫工作,為降低備件庫存成本提高公司資金利用率奠定理論基礎。
⑵備件零庫存管理。通過變換備件采購策略,在園區建立高消耗備件的寄售庫存,以“超市管理”的思路與備件供應商建立長期合作關系并簽訂備件寄售協議,由供應商在園區建立備件庫存,實現園區備件零庫存管理理念;與高價值備件供應商建立合作關系,對于價值高、周期長的備件,此種備件使用頻次低,但失效后恢復時間長,針對此類備件萬華化學聯合國內其它有備用需求的石化企業與制造上簽訂備件聯盟協議,在制造廠建立坯料/半成品/成品庫存,減少備件制造采購周期,在避免因無備件而導致裝置出現長期停產風險的同時降低備件庫存成本。

3)設備信息化管理。隨著工業生產信息化的不斷發展,設備管理的信息化的重要性也在日益提升。為了優化設備資產管理、提升設備維護管理水平,工業園通過實施SAP PM模塊,搭建一個堅實穩定的設備管理系統,完整地記錄、存儲、管理設備在設計、采購、驗收、安裝、投運、維修、退役、報廢等資產生命周期各階段的信息,通過信息化管理手段和設備維護知識積累,提高設備管理水平,優化資產運營和維護。


以PM系統作為設備全生命周期管理的平臺,邀請世界知名的咨詢公司針對工業園的特點,規劃實施設備管理信息化藍圖及設備生命周期管理功能結構(如上圖)。
借助PM系統實現設備數據信息化、設備資料信息化、設備檢修維護記錄信息化等,并由傳統的“人管人”模式轉變為“系統(流程)管人”的模式,規范設備檢修維護工作流程及備品備件管理流程。利用系統強大的數據統計處理能力,為設備管理人員及生產裝置的管理決策提供堅實的數據基礎,從而指導園區設備管理工作不斷的優化、提升。
以PM系統的設備管理數據為基礎,設備管理人員可更具不同維度的統計數據編制設備管理指標的報表,包括裝置設備故障報表、設備完好率報表、維修費用統計報表、維修類別統計報表、設備故障檢修統計報表(如下圖)。為管理層制定裝置檢修計劃、調配企業資源、更新生產設備等決策提供各維度的信息,從而提升企業設備管理水平,降低設備生產維護成本,為企業開發隱藏的利潤區間,助推企業實現企業管理的利潤最大化目標。


3、總結:
萬華煙臺工業園本著精益管理、卓越績效的理念,在設備管理工作中不斷探索、引進國內外先進的設備管理技術與成本控制方法,借助設備管理向信息化轉變的手段將先進的設備檢測維護技術與科學的設備成本管理系統(PM)結合使用,在設備預防預知性維護及設備精益管理方面取得了豐碩的成果,并對設備維護成本進行不斷的優化,針對維護成本組成的重要因素通過與專業企業的合作及自身的探索開發,逐步實現了維護成本要素的科學管理與控制。充分體現了先進的設備技術與管理信息化的重要意義,為公司獲得顯著的管理效益與經濟效益。











